Loadcell S4200 aluminium planar beam (10kg)
Available Models S4200

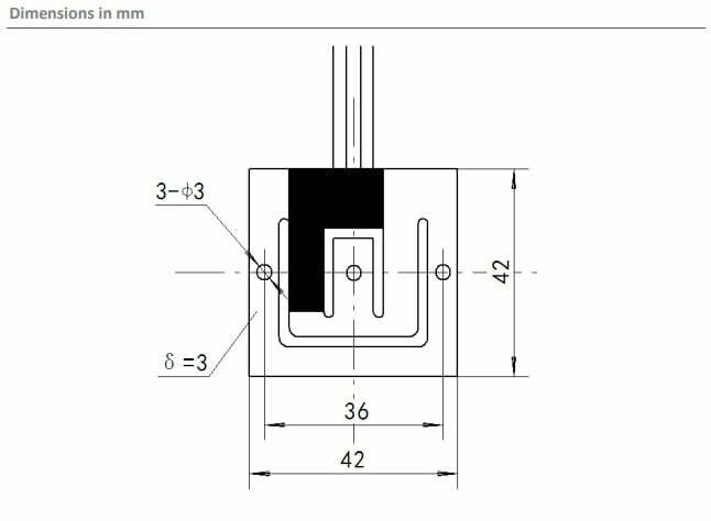
Detailed specifications S4200

Spesfikasi
- Low profile, parallel beam construction
- Anodized aluminum alloy
- IP65 sealed
- Easy installation
Available Models
Capacity Accuracy Full article description
10kg 0.05% S4200-10kg-0.4P